

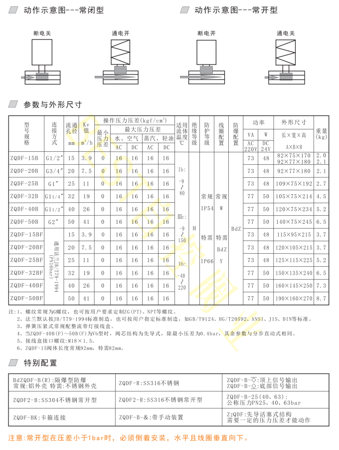
ZQDF-B不锈钢系列二位二通分步直动活塞式电磁阀〈常闭或常开型〉
产品特点
01、国内通用型暨海军导弹快艇指定配套用品
02、阀体材料:SS304不锈钢(代号:B)
03、动铁芯:J117不锈铁
04、最高动作频率:3次/秒
05、耐压等级:常规---16kgf/cm2,特需---25、40、63kgf/cm2
06、适合的环境温度:-15~75℃
07、适用介质的运动粘度:≤50CSt(mm2/s)
08、系列化产品,久经30年考验
09、线圈允许温升:≤90℃
10、蒸汽介质首选,分步直动活塞式结构,零压差可靠动作
11、常规水平安装,线圈垂直向上,介质要求清洁无颗粒杂质,垂直安装需定制
12、密封材料:常规Vb型---PTFE(氟塑料,代号:P)
特需Ⅲc型---VITON(氟橡胶,代号:V),Ib型---NBR(丁腈jīng橡胶,代号:N)
13、泄漏量:Ib、Ⅲc型:0ml/min,Vb型:常温介质---1.5ml/min,蒸汽---0.1ml/min,不精
确值
14、电压常规:AC220/AC230/AC240V 50/60Hz,DC24V,允许波动±10%,其它电压定制
















