











CQ系列电动执行器〈户外型或防爆型〉
产品特点
与BST、CG系列执行器相比,CQ系列执行器具有可制防爆型、同时兼备有源无源信号输出、常规自带手轮
机构、户外型等特点,弥补了BST、CG系列执行器的不足,扩大了应用范围。
电源50/60Hz通用,可定制总线控制,支持Profibus、Modbus、HART等通讯协议。
机械特点:
01、安装便捷:常规直装式结构,可免支架直接与球阀、蝶阀安装
02、性能可靠:轴承、电气元件等关键零部件采用进口产品或国内名牌产品
03、过热保护:内置过热保护开关,防止电机过热
04、自锁功能:双蜗轮蜗杆机构具有自锁功能,防止反转
05、回差极小:蜗轮输出轴一体化、避免了键连接的间隙、传动精度高
06、安全保证:通过1500VAC耐压检测,F级绝缘电机,安全有保障
07、接线端子:弹簧压紧的接线端子,接线牢固,可在振动环境中使用
08、离合机构:合上切换手柄可进行手轮操作,通电时自动复位
09、手轮机构:在停电或紧急情况时可对阀门进行手动开启或关闭
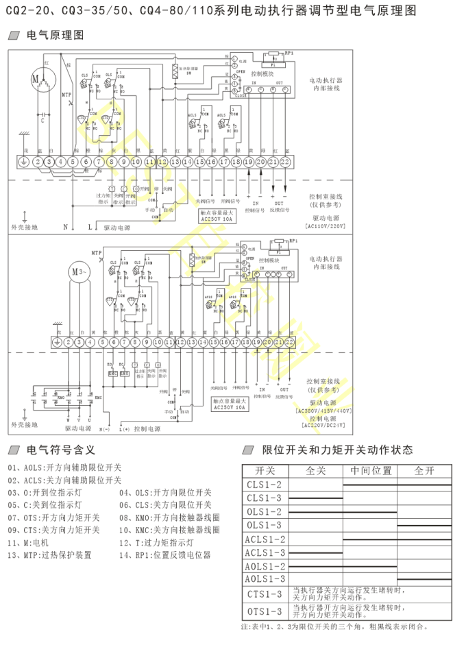
10、力矩开关:当阀门力矩过大时提供过载保护,开、关力矩开关各一个
11、限位开关:可精确定位阀门位置,辅助开关可提供触点信号
12、机械限位:防止电气限位开关失效时超行程
13、配干燥器:常规自带加热器,吸收执行器内部水气避免损坏电气元件
14、控制方式:开关型、调节型,可远距离控制也可现场操作
15、阀位指示:带可视阀位位置指示
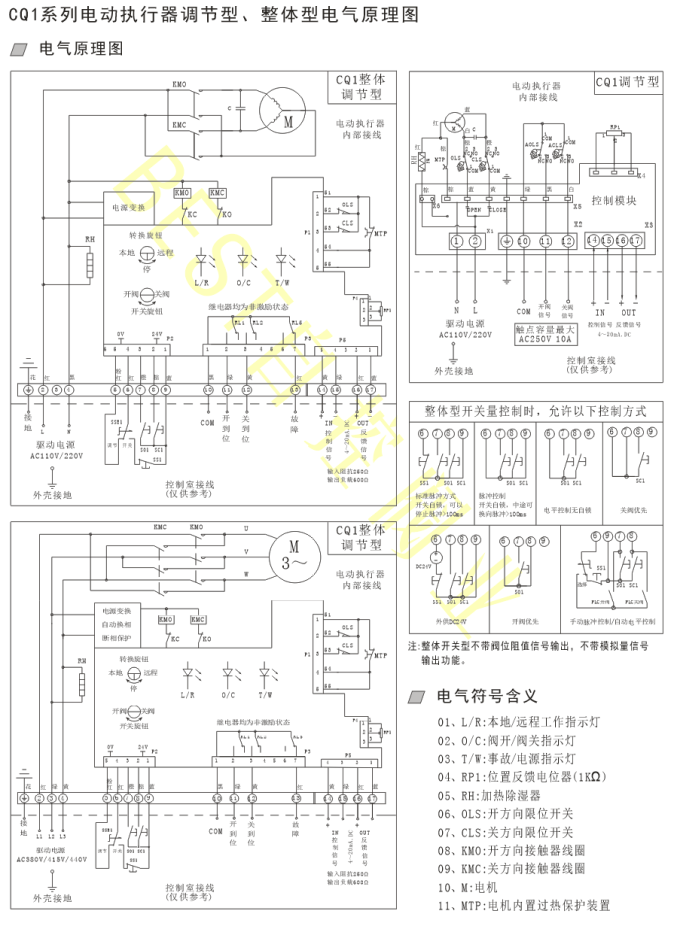
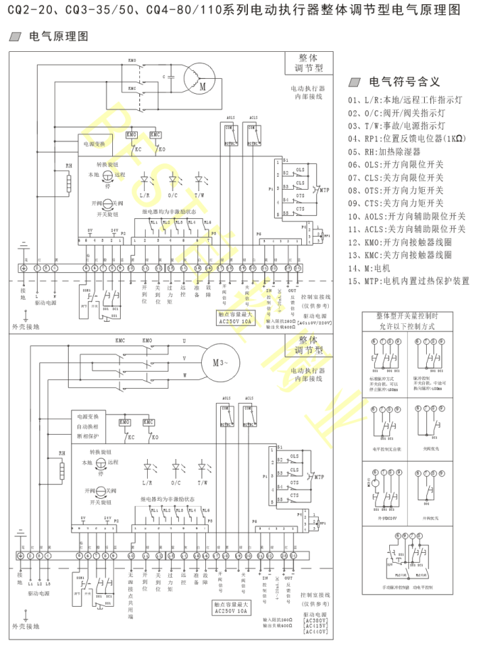
整体型电气特点:
1、自动鉴别相序、断相,有过热、过载保护
2、远程控制可采用无源触点或DC24V电压控制
3、多种、灵活、方便的用户接线方式
4、本地操作与远程控制可切换使用
5、现场控制按钮灯盒旋钮采用不穿透设计,提高整机密封特性
6、设置电动装置监视继电器,为DCS系统提供综合故障信号
7、五个无源触点指示电动装置工作状态,方便DCS系统对电装的监控
8、转换旋钮根据需要可以用普通挂锁锁定,防止现场误操作
















