
SGM-U UPVC、SGM-U CPVC、SGM-[P] FRPP、SGM-U PVDF系列耐腐塑料隔膜阀
产品特点
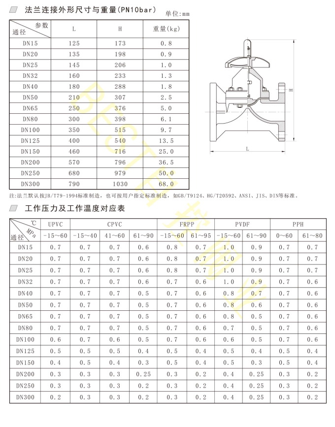
01、通径范围:法兰式DN15~300,焊接式DN15~50
02、公称压力:PN10bar
03、阀体材料:UPVC(代号:U),CPVC(代号:U),PPH(代号:[P]),PVDF(代号:U),FRPP(代号:[P])
04、适用介质温度:UPVC---常规Ia:-9~60℃,CPVC/FRPP/PPH---常规Ⅱa:-9~95℃
PVDF---常规Ⅲc:-9~150℃
05、隔膜材料:常规FEP(代号:F46),特需PTFE(代号:P)
06、重量轻,内壁光洁,流体不易附着
07、适用介质:无冻结液体、气体、强酸、强碱及超净介质
08、无流向限制,可双向流通
09、可任意角度安装,为方便操作,建议水平安装
【点击返回上一级】
















