

Q81/Q82/Q83系列气动薄膜式、Q51/Q52/Q53系列气动活塞式放料阀
产品特点概述
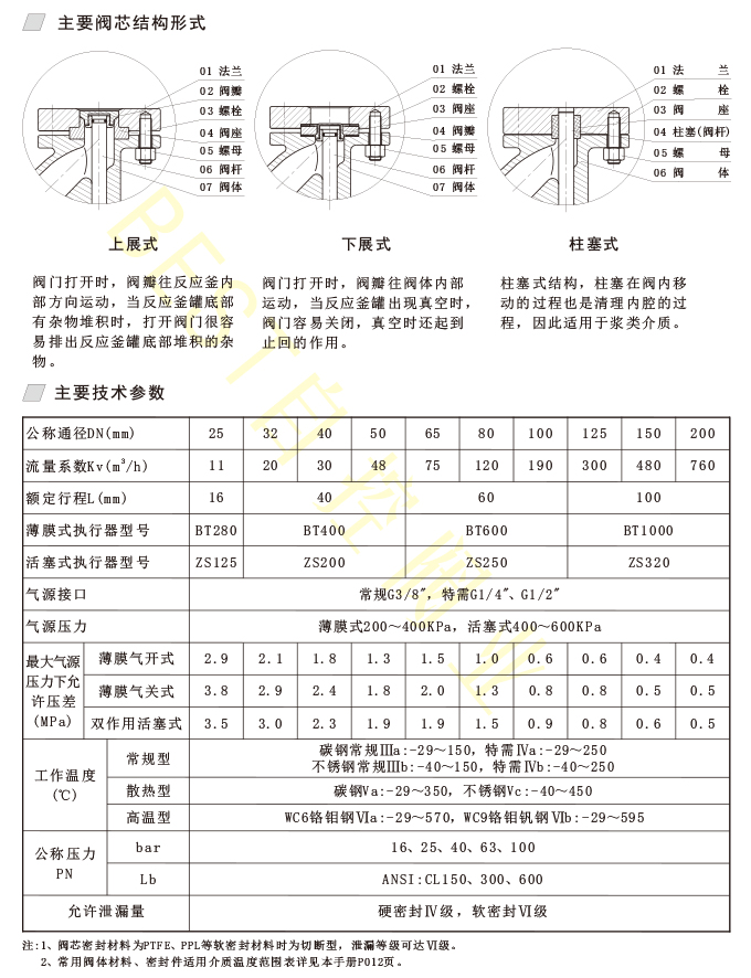
气动放料阀安装在容器、反应釜、储罐的底部,作为取样、排料、放料及无死区关断使
用,同时消除容器底端的残留物。阀瓣主要分为上升式和下降式,即上展式和下展式两
种,上下展式气动放料阀的区别在于:上展阀阀瓣上升才能出料,下展阀阀瓣下降才能出
料,也可根据现场工况要求定做柱塞式结构。气动放料阀广泛应用于高粘度液体、含纤维
质流体、易结晶流体、易沉积流体及含颗粒流体等场合,特别适用于储罐、反应釜等的
底部放料使用,所以又称釜底阀。
典型特点:
01、倒立安装,近似直线型流道,流阻小,无死角,压降损失小
02、密封面堆焊司钛莱合金,耐磨、耐腐蚀、耐高温,适用于高温及含固体颗粒介质等苛刻环境中
03、密封面经过精密加工,泄漏等级Ⅳ级以上,软密封可达零泄漏
04、可根据需要,选配薄膜式、活塞式气动执行器及行程开关等
05、阀座密封材料:碳钢常规合金钢、不锈钢常规本体材料,特需聚四氟乙烯,对位聚苯、硬质合金
06、阀体材料:铸钢WCB(代号:C),SS304不锈钢(代号:B),SS316不锈钢(代号:R),SS316L不锈钢(代号:L),铬钼钢(代号:I)
















