






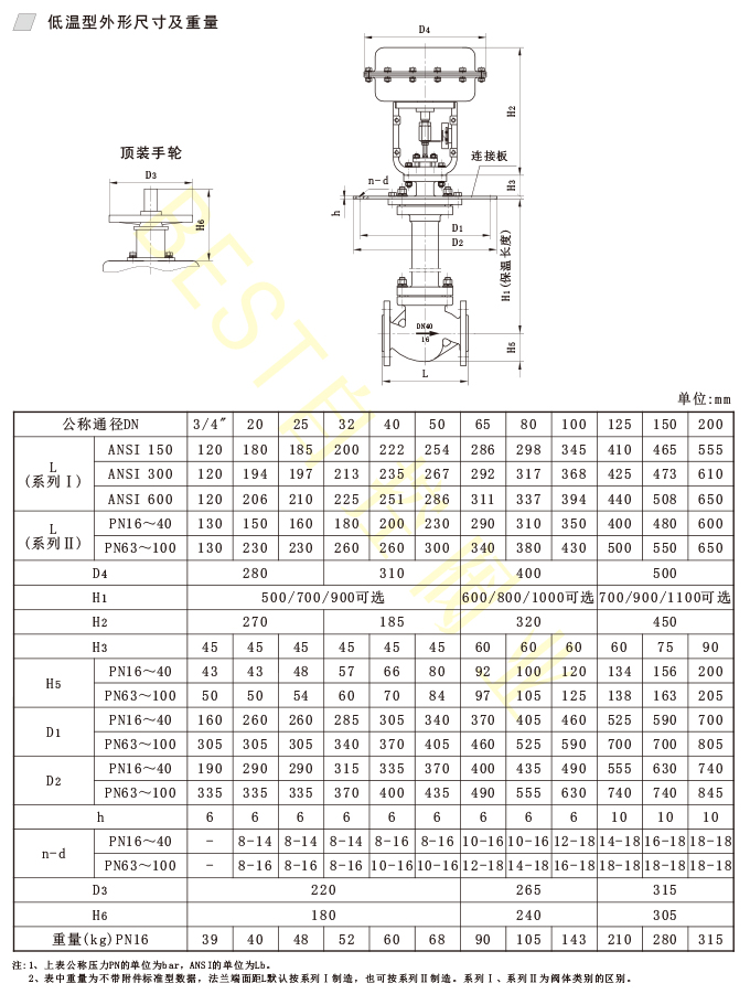
T86系列气动薄膜单座调节阀
产品特点
01、采用顶部导向结构,美观精致、经济实惠
02、流体通道呈S流线型,压降损失小、流通量大
03、阀体结构紧凑,可调范围广,流量控制精度高
04、阀芯导向部分的导向面积大,具有抗振性能强的特点
05、配用多弹簧薄膜执行机构,具有结构小、输出力大的特点
06、适用于要求可靠性及关闭性能高(与套筒式相比)的高温、低温及阀前后压差不大的场合
张晓芬
张炜烽
沐童琪
王素萍
徐曼
谢洋
黄思尧
汪静
王丽
李伟林
谢洋
汪静

客服不独立外勤洽谈
销售可独立外勤洽谈







T86系列气动薄膜单座调节阀
产品特点
01、采用顶部导向结构,美观精致、经济实惠
02、流体通道呈S流线型,压降损失小、流通量大
03、阀体结构紧凑,可调范围广,流量控制精度高
04、阀芯导向部分的导向面积大,具有抗振性能强的特点
05、配用多弹簧薄膜执行机构,具有结构小、输出力大的特点
06、适用于要求可靠性及关闭性能高(与套筒式相比)的高温、低温及阀前后压差不大的场合